19年以來宏大機電已為近2000家用戶提供
張力收放卷、糾偏控制系統(tǒng)解決方案

60秒在線服務 30分鐘技術答復 24小時技術方案
HD318A型張力控制器采用圖形液晶顯示器,可選擇中英文顯示。界面友好易用,可輸出0-24V/4A或0-36V/3A直接驅動離合器,也可以輸出0-5V,4-20mA,-5v-+5V信號,控制變頻器,伺服電機或其他執(zhí)行機構,對卷料系統(tǒng)進行高精度控制??蓮V泛應用造紙、印刷、包裝、紡織印染等行業(yè)。
HD318A張力控制器也可以為全自的張力控制器或卷徑張力控制器,當功能選擇設置為自動張力控制器時,HD318為全自動張力控制器,需要安裝張力傳感器,組成閉環(huán)控制系統(tǒng)。當功能選擇設置為卷徑張力控制時,HD318為卷徑張力控制器,只需要安裝接近開關/編碼器對卷料半徑進行測量,控制器根據卷徑進行張力控制。
HD318A產品特點
采用32位高速CPU ,圖形液晶顯示,人性化設計,操作簡便。
采用無超調PI算法,張力控制快速穩(wěn)定。
雙工位切換,加減速補償。.雙 24v / 4A 輸出,可直接驅動兩路制動器/離合器。
可輸出。0-10v , 4-2OmA 驅動變頻器/伺服電機。.安裝調試簡單,張力標定過程簡單。.
支持標準 ModbuS 通訊協(xié)議,所有參數開放,連接PLC/觸摸屏非常方便。.
參數密碼保護,防止誤操作。.張力測量高穩(wěn)定,無溫飄。
HD318A操作界面

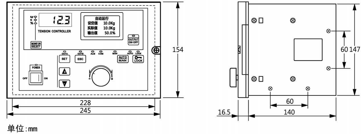
HD318A外形尺寸

HD318A安裝方式

聯系電話
微信掃一掃